
НАЗНАЧЕНИЕ И ОБЛАСТЬ ПРИМЕНЕНИЯ
Взрывозащищенный разветвитель интерфейса SA-RS-422/485 является пассивным разветвителем сетевого интерфейсного кабеля. Применяется для сопряжения сигналов сетевых интерфейсов RS-422/485 приемников и передатчиков таких протоколов, как Modbus ASCII/RTU, Profibus, MPI/PPI и др.
Область применения - подземные выработки рудников и шахт, опасные по газу (метану), угольной пыли; взрывоопасные зоны помещений и наружных установок согласно маркировке взрывозащиты, ГОСТ 30852.13-2002 (МЭК 60079-14:1996) и зоны, опасные по воспламенению горючей пыли, по ГОСТ IEC 61241-3-2011, опасные производственные объекты I, II, III, IV классов опасности, поднадзорные Ростехнадзору РФ и национальным техническим надзорам стран ТС и СНГ.
СООТВЕТСТВИЕ СТАНДАРТАМ ГОСТ 14254-96 (МЭК 529-89), ГОСТ 30852.0-2002 (МЭК 60079-0:1998), ГОСТ 30852.8-2002, ГОСТ 30852.10-2002 (МЭК 60079-11:1999), ГОСТ 30852.20-2002, ГОСТ IEC 61241-1-1-2011, Гл. 7.3 ПУЭ, Гл. 7.4 ПУЭ, ГОСТ 24754-81, ГОСТ 12.2.007.0-75. ССБТ, ТР ТС 012/2011, ТР ТС 004/2011, ПБ 05-618-03, ПБ 03-553-03 |
ОБЛАСТЬ ПРИМЕНЕНИЯ | |
– добыча и транспортировка нефти – добыча и транспортировка газа – нефтеперерабатывающие заводы НПЗ – химические заводы – черная (ЧМ) и цветная металлургия (ЦМ) – целлюлозно-бумажная промышленность – пищевая промышленность | – среднее машиностроение (АЭС, обогатительные фабрики др.) – оборонная промышленность – энергетика (ТЭЦ, ГЭС, ГРЭС, котельное хозяйство ) – водоснабжение – канализация – утилизация отходов – морской и речной транспорт |
СЕРТИФИКАЦИЯ | ||
![]() | ![]() ![]() ![]() ![]() ![]() ![]() | |
Степень защиты: | IP 66/Устойчивость к удару 7Дж (SA) IP 66/Устойчивость к удару 10Дж (SAG) | |
Установка: | Категория II по подгруппе газов IIA, IIB, IIC, зоны 0, 1, 2; Категория III по пыли, взрывоопасные пылевые среды, Категория III по пыли, взрывоопасные пылевые среды, содержащие летучие частицы, непроводящую и проводящую пыль; Невзрывоопасная зона наземных строений и открытых площадок; Подземные выработки, неопасные по газу (метану) и угольной пыли; Объекты, поднадзорные РМРС | |
Сертификаты соответствия и разрешения: | TC RU C-RU.ГБ05.B.01022 TC RU C-RU.МЛ02.B.00182 РОСС RU.ГБ05.B04321 ГОСТ ISO 9001-2011 (ISO 9001:2008) Ростехнадзор РФ Разрешение № РРС 00-044017 Морской регистр СТО №12.02246.315 ТУ 3400-005-72453807-07 ОАО «ГАЗПРОМ» № Г000.RU.1131.H00487 |
ТЕХНИЧЕСКИЕ ХАРАКТЕРИСТИКИ | ||
Температура окружающей среды, °С: | (-75) -60...+40/+60/+85 | |
Уплотнение: | Силиконовая резина (в пазе крышки) | |
Заземление: | 2 зажима заземления (внутренний и внешний) из нержавеющей стали | |
Крепление крышки: | Съемная крышка с 4 винтами из нержавеющей стали с цилиндрической головкой и шестигранным углублением под ключ (либо с 6-ю для коробок SA 473018, SA 623018, SAG 606018) | |
Крепление корпуса: | 4 внешние монтажные точки | |
Рабочее положение в пространстве: | любое | |
Монтаж внутри корпуса: | 2 или 4 стойки для крепления монтажной панели | |
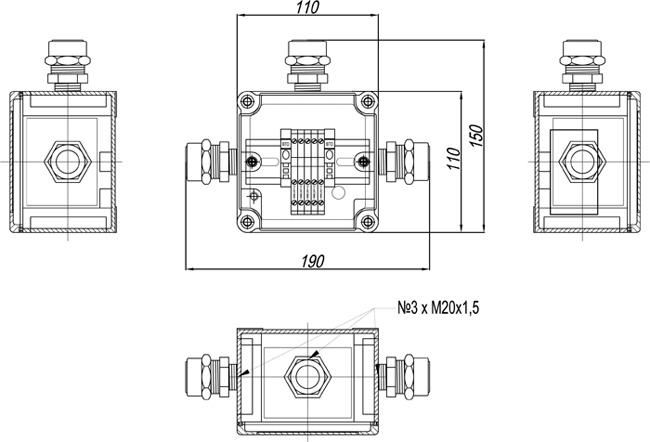
Размещение кабельных вводов: | 3-и кабельных ввода FL1 (внешний диаметр кабеля от 6мм до 12мм) Другой тип и размер кабельного ввода по требованию заказчика. | |
Материал: | Коррозионностойкий модифицированный алюминиево-кремниевый сплав GALSi13 марки “KSi13”, устойчивый к солевому туману и другим химическим веществам, в том числе устойчивый к парам сероводорода и соляной кислоты, к солевым и кислым рудничным водам, фрикционно искробезопасный. | |
Покрытие: | Антистатическое полимерно-эпоксидное окрашивание, фрикционно искробезопасное, устойчивое к рабочим средам и ионизирующему излучению. Цвет RAL 7035 | |
Класс защиты от поражения электрическим током: | III | |
Климатическое исполнение: | УХЛ1 (по требованию УХЛ2, УХЛ3, УХЛ4, УХЛ5, ХЛ1, ХЛ2, ХЛ3, ХЛ5, Т1, Т2, Т3, Т5, OM1, OM2, OM3, OM4, В2.1з**, В5) | |
Химостойкое исполнение: | по требованию Х1, Х2, Х3 |
ОПЦИИ, АКСЕССУАРЫ И ИСПОЛНЕНИЯ | |
Рудничное нормальное исполнение РН1 или РН2 | /РН1 /РН2 |
Сейсмостойкое исполнение на 9 баллов по шкале Рихтера | /MSK-64 9 БАЛЛОВ |
ГАБАРИТНЫЕ И ПРИСОЕДИНИТЕЛЬНЫЕ РАЗМЕРЫ